扫码查看
光电建筑技术应用规程

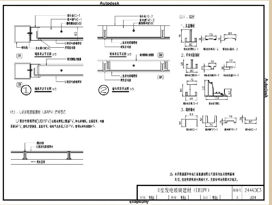
发电薄膜转化率〈16%UBIPV光电U型玻璃〉16%
发电量比传统晶硅发电系统提高约3%的发电量
UBIPV光电U型玻璃是建材可以直接上墙

光电建筑技术应用规程,结构图集





扫码查看
光电建筑技术应用规程

发电薄膜转化率〈16%UBIPV光电U型玻璃〉16%
发电量比传统晶硅发电系统提高约3%的发电量
UBIPV光电U型玻璃是建材可以直接上墙

光电建筑技术应用规程,结构图集





TEL:18626885381 FAX:18626885058 EMAIL:XJ416@xjljkj.com
版权所有:浙江祥捷绿建科技有限公司 备案号:浙ICP备17058929号-5
手机版